Corps seeks comments on China Poot dock
Published 4:53 pm Thursday, September 28, 2017
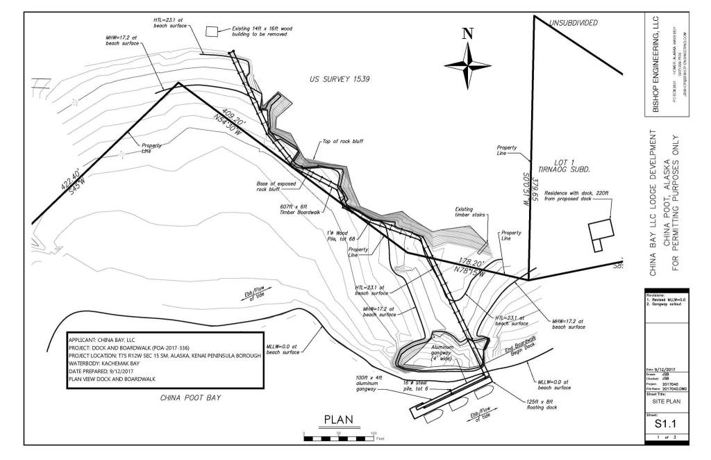
The U.S. Army Corps of Engineers seeks comments on a proposed 125-foot long floating dock, a 100-foot long aluminum gangway and a 607-foot long timber boardwalk to be built below the mean high water mark on the north shore of China Poot Bay. The applicant, Gail Fisher of China Bay LLC, Santa Barbara, Calif., seeks a permit for the projects as part of a development of a commercial lodge and private home for the owners. Fisher proposes construction of the dock to start in October. However, the date for comments was extended from Oct. 3 to a new date of Nov. 2.
Comments can be made to U.S.Army Corps of Engineers, Alaska District Regulatory Division, 44669 Sterling Highway, Suite B, Soldotna, AK 99669-7915 by Nov. 2. For more information, contact Katherine A. McCafferty at 907-753-2692 by fax at (907) 420-0813, or by email at Katherine.a.mccafferty2@usace.army.mil if further information is desired concerning this notice. Reference the application number, POA-2017-336.
The full text of the public notice, as well as associated maps and drawings, is available at http://www.poa.usace.army.mil/Missions/Regulatory/Public-Notices/
The application also is below:
US Army Corps of Engineers Alaska District
Regulatory Division (1145)
CEPOA-RD
44669 Sterling Highway, Suite B
Soldotna, Alaska 99669-7915
PUBLIC NOTICE DATE: September 18, 2017
EXPIRATION DATE: October 3, 2017
REFERENCE NUMBER: POA-2017-336
WATERWAY: China Poot Bay
Interested parties are hereby notified that a Department of the Army permit application has
been received for work in waters of the United States as described below and shown on the
enclosed project drawings.
Comments on the described work, with the reference number, should reach this office no later
than the expiration date of this Public Notice to become part of the record and be considered in
the decision. Please contact Ms. Katherine A. McCafferty at (907) 753-2692 by fax at
(907) 420-0813, or by email at Katherine.a.mccafferty2@usace.army.mil if further information
is desired concerning this notice.
APPLICANT: Ms. Gail Fisher (China Bay, LLC), 952 Alameda Padre Serra, Santa Barbara,
California 93103
AGENT: Mr. John Bishop (Bishop Engineering, LLC) Post Office Box 2501, Homer, Alaska
99603
LOCATION: The project site is located within Section 15, T. 7 S., R. 12 W., Seward Meridian;
USGS Quad Map Seldovia C-4; Latitude 59.5755º N., Longitude 151.3146º W.;
China Poot Bay; Kenai Peninsula Borough tax parcel 193-270-03; 4.4 miles southeast of
Homer, Alaska.
SPECIAL AREA DESIGNATION: The project is located within the Kachemak Bay National
Estuarine Research Reserve and the Kachemak Bay State Critical Habitat Area.
PURPOSE: The applicant’s stated purpose is to develop a mixed use site, with a commercial
lodging facility and a residential house for the owners, with boat access at all tide elevations.
Public Notice of Application for Permit
PROPOSED WORK: The applicant proposes to construct a 125 foot by 8 foot wide long
floating dock, a 100 foot long by 4 foot wide aluminum gangway, and a 607 foot long by
6 foot wide timber boardwalk below the mean high water mark (MHWM, 17.2 feet above the
mean lower low water elevation of 0 feet) of China Poot Bay, which is a navigable water of the
U.S. In addition, the applicant proposes to temporarily sidecast 360 cubic yards of native
substrate into 0.08-acres below the high tide line (HTL, 23.1 feet above the mean lower low
water elevation) of China Poot Bay.
The floating dock would be supported by six 16-inch diameter steel pilings. The dock would be
constructed of timber decking and interconnected plastic floats containing polystyrene fill.
The boardwalk would be supported by sixty-eight 12-inch diameter steel or recycled creosote
treated timber piles. The recycled timber piles were previously installed in the marine
environment in southcentral Alaska. The wood deck and cross bracing would consist of
micronized copper quaternary treated wood.
The piles would be installed by excavating the native substrate down to bedrock at low tide
using a track mounted excavator, installing rock anchors or drilling to embed the piling where
the substrate is shallow, placing the pilings, and then replacing the sidecast substrate back
around the piling. All excess substrate, approximately 6 cubic yards of material, would be
permanently disposed of in uplands.
The 16-inch piles would be embedded in the bedrock using a drill and a crane mounted on a
120 foot long by 30 foot wide spud barge. The applicant estimates that it would take 6 working
days, with two piles set over each 8 hour day, to install the 16-inch pilings.
Thirty-four of the 12-inch piles would require a rock anchor, which would consist of a
¾ inch diameter by 4 foot long, galvanized steel threaded rod, embedded in a 2 inch hole and
set with rapid set hydraulic cement grout. The rock anchors would be installed during low tide.
Rock anchor drilling is anticipated to take 34 days with about 2 hours of drilling per day, at low
tide.
The applicant proposes to begin work as soon as October 2017 and to complete work by the
end of August 2018.
All work would be performed in accordance with the enclosed plan (sheet 1), dated September
6, 2017, (sheet 2), dated September 12, 2017, and (sheet 3), dated September 13, 2017.
ADDITIONAL INFORMATION: Work above the HTL, which does not require Department of
the Army authorization, includes the construction of a 4 bedroom residence and a 10 bedroom
lodge and a material and equipment staging area in the uplands at the north end of the local
bay. The residence is currently under construction and the lodge construction is proposed for
summer of 2018.
APPLICANT PROPOSED MITIGATION: The applicant proposes the following mitigation
measures to avoid, minimize, and compensate for impacts to waters of the United States from
activities involving discharges of dredged or fill material.
-2-
a. Avoidance: The boardwalk alignment was kept as close to the bluff as feasible and
would attach to the bluff where feasible to avoid installation of additional pilings.
b. Minimization: The boardwalk would be located above the mean high water (MHW)
where feasible. Temporary stockpiling of excavated materials would be placed above the
MHW where feasible. Excavations and backfilling would be performed sequentially to
minimize disturbed materials. Work along the boardwalk would commence from the dock and
work toward the beach, and equipment and stockpiling would be limited to a 6 foot wide zone.
c. Compensatory Mitigation: No compensatory mitigation was proposed as no
permanent discharges of dredged or fill material are proposed.
WATER QUALITY CERTIFICATION: A permit for the described work will not be issued until a
certification or waiver of certification, as required under Section 401 of the Clean Water Act
(Public Law 95-217), has been received from the Alaska Department of Environmental
Conservation.
CULTURAL RESOURCES: The permit area has been determined to be the footprint of the
structures described above, as well as the footprint of the spud barge, the 6 foot wide
construction area along the path of the proposed boardwalk, and the material and equipment
staging area in the uplands at the north end of the local bay.
The latest published version of the Alaska Heritage Resources Survey (AHRS) has been
consulted for the presence or absence of historic properties, including those listed in or eligible
for inclusion in the National Register of Historic Places. AHRS site SEL-00012 is in the
immediate vicinity of the permit area. AHRS site SEL-00013 is located within less than
1,000 feet of the permit area. A determination of eligibility has not yet been made for either
site. Consultation of the AHRS constitutes the extent of cultural resource investigations by the
Corps of Engineers (Corps) at this time, and we are otherwise unaware of the presence of
such resources.
We will initiate the appropriate consultation procedures under Appendix C of 33 CFR 325 and
Section 106 of the National Historic Preservation Act with the Alaska SHPO. This application
is being coordinated with the State Historic Preservation Office (SHPO). Any comments
SHPO may have concerning presently unknown archeological or historic data that may be lost
or destroyed by work under the requested permit will be considered in our final assessment of
the described work.
ENDANGERED SPECIES: The project area is within the known or historic range of the
Western DPS Steller Sea Lion (Eumetopias jubatus) (Endangered), Cook Inlet Beluga Whales
(Delphinapterus leucas) (Endangered), Western North Pacific Humpback Whale (Megaptera
novaeangliae) (Endangered), the Mexico DPS Humpback Whale (Megaptera novaeangliae)
(Threatened) and the short-tailed albatross (Phoebastria albatrus).
We have determined the described activity would have no effect on the short-tailed albatross,
under the Endangered Species Act of 1973 (87 Stat. 844). Therefore, no consultation with the
U.S. Fish and Wildlife Service is required. However, any comments they may have concerning
-3-
endangered or threatened wildlife or plants or their critical habitat will be considered in our final
assessment of the described work.
We have determined the described activity may affect the threatened or endangered Western
DPS of the Steller sea lion, the Cook Inlet beluga whale, and the Western North Pacific and
the Mexico DPS of the humpback whale, and the Cook Inlet beluga whale designated critical
habitat. We will initiate the appropriate consultation procedures under section 7 of the
Endangered Species Act with the National Marine Fisheries Service (NMFS). Any comments
they may have concerning endangered or threatened wildlife or plants or their critical habitat
will be considered in our final assessment of the described work.
ESSENTIAL FISH HABITAT: The Magnuson-Stevens Fishery Conservation and Management
Act, as amended by the Sustainable Fisheries Act of 1996, requires all Federal agencies to
consult with the NMFS on all actions, or proposed actions, permitted, funded, or undertaken by
the agency, that may adversely affect Essential Fish Habitat (EFH).
The project area is within the known range of the pink salmon (Oncorhynchus gorbuscha),
chum salmon (Oncorhynchus keta), sockeye salmon (Oncorhynchus nerka), chinook salmon
(Oncorhynchus tshawytscha), and the coho salmon (Oncorhynchus kisutch).
We have determined the described activity would not adversely affect EFH in the project area.
TRIBAL CONSULTATION: The Alaska District fully supports tribal self-governance and
government-to-government relations between Federally recognized Tribes and the Federal
government. Tribes with protected rights or resources that could be significantly affected by a
proposed Federal action (e.g., a permit decision) have the right to consult with the Alaska
District on a government-to-government basis. Views of each Tribe regarding protected rights
and resources will be accorded due consideration in this process. This Public Notice serves
as notification to the Tribes within the area potentially affected by the proposed work and
invites their participation in the Federal decision-making process regarding the protected Tribal
right or resource. Consultation may be initiated by the affected Tribe upon written request to
the District Commander during the public comment period.
PUBLIC HEARING: Any person may request, in writing, within the comment period specified
in this notice, that a public hearing be held to consider this application. Requests for public
hearings shall state, with particularity, reasons for holding a public hearing.
EVALUATION: The decision whether to issue a permit will be based on an evaluation of the
probable impacts, including cumulative impacts of the proposed activity and its intended use
on the public interest. Evaluation of the probable impacts, which the proposed activity may
have on the public interest, requires a careful weighing of all the factors that become relevant
in each particular case. The benefits, which reasonably may be expected to accrue from the
proposal, must be balanced against its reasonably foreseeable detriments. The outcome of
the general balancing process would determine whether to authorize a proposal, and if so, the
conditions under which it will be allowed to occur. The decision should reflect the national
concern for both protection and utilization of important resources. All factors, which may be
relevant to the proposal, must be considered including the cumulative effects thereof. Among
-4-
those are conservation, economics, aesthetics, general environmental concerns, wetlands,
cultural values, fish and wildlife values, flood hazards, floodplain values, land use, navigation,
shore erosion and accretion, recreation, water supply and conservation, water quality, energy
needs, safety, food and fiber production, mineral needs, considerations of property ownership,
and, in general, the needs and welfare of the people. For activities involving 404 discharges, a
permit will be denied if the discharge that would be authorized by such permit would not
comply with the Environmental Protection Agency’s 404(b)(l) guidelines. Subject to the
preceding sentence and any other applicable guidelines or criteria (see Sections 320.2 and
320.3), a permit will be granted unless the District Commander determines that it would be
contrary to the public interest.
The Corps of Engineers is soliciting comments from the public; Federal, State, and local
agencies and officials; Indian Tribes; and other interested parties in order to consider and
evaluate the impacts of this proposed activity. Any comments received will be considered by
the Corps of Engineers to determine whether to issue, modify, condition or deny a permit for
this proposal. To make this decision, comments are used to assess impacts on endangered
species, historic properties, water quality, general environmental effects, and the other public
interest factors listed above. Comments are used in the preparation of an Environmental
Assessment and/or an Environmental Impact Statement pursuant to the National
Environmental Policy Act. Comments are also used to determine the need for a public hearing
and to determine the overall public interest of the proposed activity.
AUTHORITY: This permit will be issued or denied under the following authorities:
(X) Perform work in or affecting navigable waters of the United States – Section 10 Rivers and
Harbors Act 1899 (33 U.S.C. 403).
(X) Discharge dredged or fill material into waters of the United States – Section 404 Clean
Water Act (33 U.S.C. 1344). Therefore, our public interest review will consider the guidelines
set forth under Section 404(b) of the Clean Water Act (40 CFR 230).
Project drawings and a Notice of Application for State Water Quality Certification are enclosed
with this Public Notice.
District Commander
U.S. Army, Corps of Engineers
Enclosures
-5-
BILL WALKER, GOVERNOR
STATE OF ALASKA
DEPT. OF ENVIRONMENTAL CONSERVATION
DIVISION OF WATER
401 Certification Program
Non-Point Source Water Pollution Control Program
DEPARTMENT OF ENVIRONMENTAL CONSERVATION
WQM/401 CERTIFICATION
555 CORDOVA STREET
ANCHORAGE, ALASKA 99501-2617
PHONE: (907) 269-7564/FAX: (907) 334-2415
NOTICE OF APPLICATION
FOR
STATE WATER QUALITY CERTIFICATION
Any applicant for a federal license or permit to conduct an activity that might result in a
discharge into navigable waters, in accordance with Section 401 of the Clean Water Act of
1977 (PL95-217), also must apply for and obtain certification from the Alaska Department of
Environmental Conservation that the discharge will comply with the Clean Water Act, the
Alaska Water Quality Standards, and other applicable State laws. By agreement between the
U.S. Army Corps of Engineers and the Department of Environmental Conservation, application
for a Department of the Army permit to discharge dredged or fill material into navigable waters
under Section 404 of the Clean Water Act also may serve as application for State Water
Quality Certification.
Notice is hereby given that the application for a Department of the Army Permit described in
the Corps of Engineers’ Public Notice No. POA-2017-336, China Poot Bay, serves as
application for State Water Quality Certification from the Department of Environmental
Conservation.
After reviewing the application, the Department may certify there is reasonable assurance the
activity, and any discharge that might result, will comply with the Clean Water Act, the Alaska
Water Quality Standards, and other applicable State laws. The Department also may deny or
waive certification.
Any person desiring to comment on the project, with respect to Water Quality Certification,
may submit written comments to the address above by the expiration date of the Corps of
Engineer’s Public Notice.
“
PROJECT SITE MAP
China Bay, LLC – Dock and Boardwalk
POA-2017-336
Lat: 59º34’32”N Long: 151º18’53”W
Seldovia C-4 SE Quadrangle
500 Feet
Proposed Boardwalk
and Dock (Project) China Poot Bay
Property owned by applicant
Peterson Bay
Planned Private
Residence
Planned Commercial
Lodge and Restaurant
sheet 1, dated September 6, 2017
PLAN
N Feet 0 50 100 Drawn: Checked: Date: Project: File Name: Sheet: Revisions:of Sheet Title:
PO BOX 2501 HOMER, ALASKA 99603-2501
(907) 299-7609
JBISHOP@BISHOP-ENGINEERING.COM S1.1 SITE PLAN
BISHOP ENGINEERING, LLC
APPLICANT: CHINA BAY, LLC
PROJECT: DOCK AND BOARDWALK (POA-2017-336)
PROJECT LOCATION: T7S R12W SEC 15 SM, ALASKA, KENAI PENINSULA BOROUGH
WATERBODY: KACHEMAK BAY
DATE PREPARED; 9/12/2017
PLAN VIEW DOCK AND BOARDWALK
BOARDWALK PIER – TYPE 2 (TOTAL 29)
BOARDWALK PIER – TYPE 1 (TOTAL 10) DOCK SECTIONFeet 12 6 0 Feet 12 6 0 Feet 12 6 0 Drawn: Checked: Date: Project: File Name: Sheet: Revisions:of Sheet Title:
PO BOX 2501 HOMER, ALASKA 99603-2501
(907) 299-7609
JBISHOP@BISHOP-ENGINEERING.COM S1.2 TYPICAL SECTIONS
BISHOP ENGINEERING, LLCAPPLICANT: CHINA BAY, LLC PROJECT: DOCK AND BOARDWALK (POA-2017-336) PROJECT LOCATION: T7S R12W SEC 15 SM, ALASKA, KENAI PENINSULA BOROUGH WATERBODY: KACHEMAK BAY DATE PREPARED; 9/13/2017 PLAN VIEW DOCK AND BOARDWALK
